Algebra. Fraction Calculator. Step 1: Enter the fraction you want to simplify. The Fraction Calculator will reduce a fraction to its simplest form. You can also add, subtract, multiply, and divide fractions, as well as, convert to a decimal and work with mixed numbers and reciprocals. We also offer step by step solutions.. Long addition is a process for adding numbers together. Stack your numbers and align the columns by place value. Add all numbers column by column from right to left. Record the sum in the answer space for each column. If the sum of any one column is greater than nine, carry the additional digits to the next highest column.
FOR MERCEDES C CLASS W203 C270CDi REAR LOWER UPPER LEFT RIGHT SUSPENSION ARMS eBay

FOX Spring Cone 0.190 TLG x 0.395 ID x 0.75 lb / In Stainless Steel Silverfish UK

34°42'03.3"N 135°49'16.6"E YouTube

00 9a Cd 2d 1b 12 00 Ee Bd 5b Fe F3 00 Ee Bd A1 60 Ec 00 Ee Bd B0 A5 Free Download Nude Photo

Means, standard deviations and ranges for the NEOPIR domain and facet... Download Table

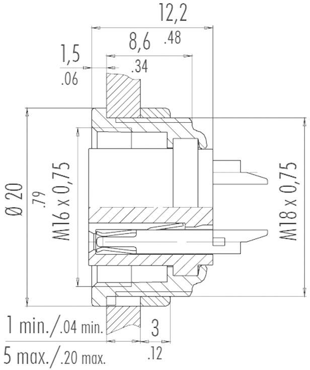
Binder 0903200005 Miniature Round Plug Connector Series 581 And 680 Nominal current (details

Basemap Series 62_00_N_91_30_W

Basemap Series 62_00_N_92_30_W

Finding VBA signatures in Word documents SANS Storm Center

Kopplingswire Derbi Senda

Chainsawman Capítulo 62.00 ADLGloria Scan FollowManga in 2021 Chainsaw, Punch manga, Manga
Anyone have Good Photos of 33" vs 35" Tires???? Page 2 Bronco6G 2021+ Ford Bronco & Bronco

09 3458 00 05 Binder M12 Straight Socket Panelmount socket, 713 series 5pole, 5 Poles, A

Yamaha motorzink 6350 HK (6e51132500) kun kr. 49.00

MERCEDES W222 STEERING WHEEL CONTROL SWITCH BUTTONS W205 S205 W253 S550 S63 Evolution GT

Math Table Printable Downloadable For 89 Ka Pahada Entranceindia Images and Photos finder

BCC08JZ (BKSS 75TB405PU00,05/02/02) Ysplitters BALLUFF
Turbines Leatt pour DBX/GPX/MRX 5.0/5.5/6.0/6.5 Pack 5 Garantie du prix le plus bas 24mx.fr

Random Numbers Lecture 39 73 72 75 37 79 57 92 36 59 22 45 44 84 11 80 45 67 93 82 53 58 47

Learn Numbers Kids Count 25,26,27,28,29,30,31,32,33,34,35,36,37,38,39,40,41,42,43,44,45,46,47,48
Dive into the vast realm of MAC addresses. Identify, verify, and gain insights into every device around you. Uncover the stories and origins hidden behind each unique identifier. Enter a MAC address (or OUI) to lookup the device manufacturer, including city, state and zip code. Search across a public database of 30,000+ vendors!. +33 1 62 00 05 35 +33162000535 00.33.162.00.05.35 +33.162.00.05.35 0033 1 62 00 05 35 0033 162 00 05 35 0033.162.00.05.35. Votre téléphone sonne et vous voulez savoir qui vous appelle? tellows offre des informations pour identifier les appels graves ou dangereux - grâce à la communauté mondiale.